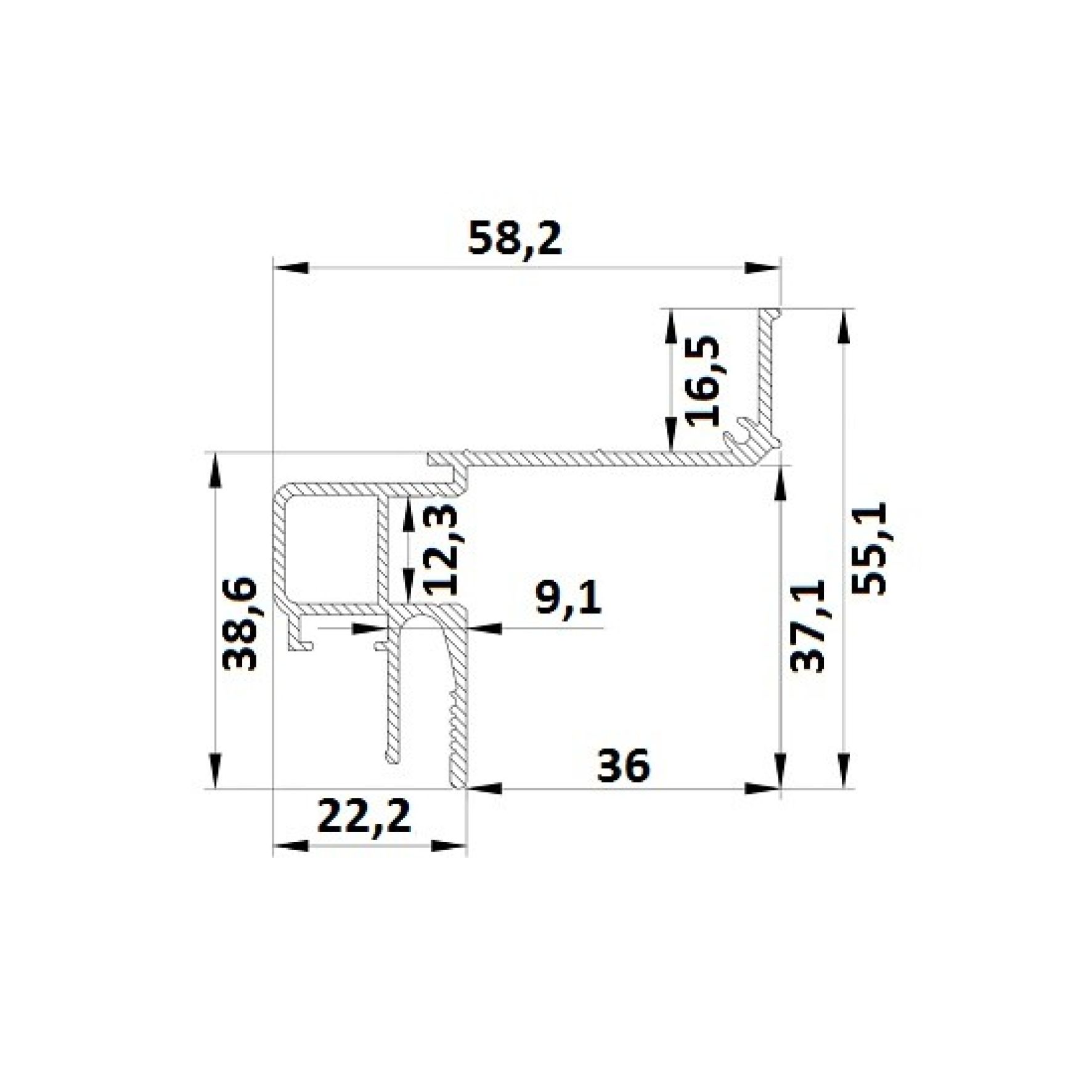
Профиль LumFer Clamp Radium mini
Безрамный «парящий» для тканевых и ПВХ потолков.
-
бесплатноЗавтра. При заказе от 5000 Р
-
бесплатноСегодня до 19.00
-
любаяНаличный. безналичный, оплата картой
Быстрый заказ
Профиль LumFer Clamp Radium mini
Нажимая на кнопку «Заказать»,
я даю согласие на обработку персональных данных
Профиль алюминиевый парящий Clamp Radium mini
В комплекте: Без вставки.
Отпускается кратно: 2,0 м.
Профиль Clamp Radium mini предназначен для монтажа парящего потолка. С возможностью установки светодиодной ленты. Которая закрывается ПВХ рассеивателем для равномерного свечения LED ленты.
Данная система Clamp Radium mini состоит из алюминиевого профиля и двухкомпонентного демпфера Clamp. Такое техническое решение позволяет надежно фиксировать полотно, предотвращая его нежелательное выскакивания из профиля.
Рекомендации по установке профиля Clamp Radium mini. Установка тканевых или ПВХ материалов вдоль стен с рельефными поверхностями, 3D панели, декоративный камень, кирпич и другое. Так же где необходима дополнительная циркуляция воздуха в межпотолочном пространстве. Профиль крепится к потолку при помощи уголков.